永磁同步电机-Simulink仿真模型内部结构与官方仿真例程

文章目录
  1. 1. 参考资料
  2. 2. 永磁同步电机参数设置
  3. 3. 永磁同步电机模型内部结构
    1. 3.1. 电力转换模块
      1. 3.1.1. abc2qd模块
      2. 3.1.2. iq,id模块
      3. 3.1.3. qd2abc模块
      4. 3.1.4. 霍尔效应传感器
      5. 3.1.5. 转矩计算模块
    2. 3.2. 机电能量转换模块

本文将结合Simulink模型库中的永磁同步电机模型、电机控制仿真例程、Matlab官方文档,分析仿真模型内部结构与Simulink仿真原理。

参考资料

关于永磁同步电机及其Simulink仿真分析,可以作为参考的文章如下:
【1】永磁同步电机
该文章初步介绍了永磁同步电机的结构、数学模型、空间脉宽矢量调制方法(SVPWM)、控制策略等内容。
【2】CSDN—沉沙丶—永磁同步电机矢量控制系列教程
采用转速电流双闭环PI控制,电流环\(i_d=0\)控制策略搭建永磁同步电机控制系统仿真模型。文章3、4、5在此基础上对PI控制器进行改进。
【3】鲁棒控制理论与应用02-H∞控制器的设计方法
采用H∞控制策略对转速环与电流环\(i_q\)进行控制,搭建控制系统仿真模型。
【4】基于粒子群算法的电机控制器参数整定研究
采用改进粒子群算法对转速环PI控制器进行优化,通过迭代得到最优的PI控制器参数。
【5】BP神经网络PID控制器的设计与仿真
采用BP神经网络对转速环PI控制器进行优化,在仿真运行过程中实时调整PI控制器参数。
【6】CSDN—SKWASU—simulink电机仿真笔记一
对永磁同步电机Simulink仿真模型内部结构进行了初步分析,并进行公式推导,有一定的参考价值。

永磁同步电机参数设置

本文所用软件为Matlab R2023a,首先打开库浏览器,选择Simscape->Electrical->Specialized Power Systems->Electrical Machines,就能找到永磁同步电机(Permanent Magnet Synchronous Machine)的模型,也可以直接在库浏览器中搜索Permanent Magnet Synchronous Machine
图0 永磁同步电机模型

对模型右键打开“帮助(H)”,就可以看到该模型的官方帮助文档,该文档也可以在网页上打开,链接为:https://ww2.mathworks.cn/help/releases/R2023a/sps/powersys/ref/permanentmagnetsynchronousmachine.html
该文档介绍了永磁同步电机的数学模型,相电感与角度关系曲线,以及电机模型中可以设置的参数。

双击该模块进入配置界面,第一个选项卡为Configuration。
Number of Phases为电机相数,可以选择3相或5相,这里选择默认的三相。(头一回知道还有五相永磁同步电机)
Back EMF waveform为反电动势波形,默认值Sinusoidal为正弦电动势,Trapezoidal为梯形电动势。(这里选择正弦电动势,若选择梯形电动势,则该电机为无刷直流电机)
Rotor Type为转子类型,默认值为Round(隐极,此时交轴与直轴电感相等),Salient-pole为凸极,通常交轴电感大于直轴电感\(L_q>L_d\)。(只有电机相数选择为三相,且反电动势波形为正弦波时会出现该选项)
Mechanical input是机械输入类型,默认为Torque Tm,表示将施加到轴上的扭矩作为机械输入。还可以选择Speed w转速作为输入,若选择Mechanical rotational port,则可以将机器轴连接到具有机械旋转端口的其他Simscape模块(此时电机模型Tm端不是箭头形状,而是端口)。
Preset model为预设模型,包括一些预设的电气和机械参数,默认值为No,即不使用预设。

第二个选项卡为Parameters,用于设置电机的电气和机械参数。
Stator phase resistance Rs为定子相电阻,默认为0.0485Ω

下面设置定子电感:
若电机相数选择三相,反电动势波形选择梯形波,则设置Stator phase inductance Ls为定子相电感,默认为8.5e-3H
若电机相数选择三相,反电动势波形选择正弦波,转子类型为Round,则设置Armature inductance为相电感\(L=L_d=L_q\),默认值为0.000395H
若电机相数选择三相,反电动势波形选择正弦波,转子类型为Salient-pole,则设置Inductances[Ld(H) Lq(H)]为d轴和q轴电感,默认值为[8.5e-3,8.5e-3]。(显然需要修改默认值使得两个电感值不相等,否则按照默认值转子就不是凸极而是隐极了)

下面设置电机常数:
Specify通过设置一个参数来确定另外两个参数。
默认值为Flux linkage established by magnets (V.s),表示永磁体磁链\(\Psi_f\),默认值为0.1194Wb
Voltage Constant (V_peak L-L / krpm)默认值为86.6271V,表示电机作为发电机驱动时每1000r/min下的峰值开路电压。(反电动势常数\(K_e\),表示每1000r/min所产生的反电动势峰值大小\(V_{peak}\),测量的是电机两相之间的线电压)
Torque Constant (N·m / A_peak)默认值为0.7164N·m,表示每安培对应的电机转矩(转矩常数\(K_t\))。
【思考题1】三个参数之间的换算公式是什么?
\(\Psi_f=\frac{V_{peak}}{\sqrt 3 \omega_e}\)
\(K_e=\frac{V_{peak}}{\omega_{rpm} / 1000}\)
\(K_t=\frac{3}{2}p\Psi_f\)
\(\frac{K_e}{\Psi_f}=\frac{\sqrt 3 \omega_e}{\omega_{rpm} / 1000}=\sqrt 3 \frac{2\pi p}{60}\times 1000 \approx 181.38p\)
式中\(p\)为电机极对数。

若电机相数选择三相,反电动势波形选择梯形波,则设置Back EMF flat area (degrees)电动势半周期内的平顶宽度,默认值为120°。

下面设置的是机电能量转换常数,Inertia,viscous damping,pole pairs,static friction [ J(kg.m^2) F(N.m.s) p() Tf(N.m)]分别对应转动惯量、粘性摩擦系数、极对数、轴静摩擦转矩。默认值为[0.0027 0.0004924 4 0]
Initial conditions[wm(rad/s) thetam(deg) ia,ib(A)]为初始条件,分别对应初始转速,机械角度,A相与B相电流。默认值为[0,0,0,0]
注:该仿真模型中定子绕组为Y形连接且无零线,三相电流和为0,可以求出C相电流\(i_c=-i_a-i_b\)

Rotor flux position when theta = 0这一项选择的是转子磁通方向相对于相位A轴的参考位置。默认为90 degrees behind phase A axis (modified Park),表示电角度\(\theta_r=0\)转子磁通方向滞后于A相绕组轴线方向90°。如下图所示:
图1 二极PMSM简化结构图

左图为官方文档提供的示意图,右图来源为《现代永磁电动机交流伺服系统》P65图4-6。
图中as、bs、cs为定子三相绕组的轴线方向,其建立了一个三相静止坐标系(3s坐标系,固定在定子上)。
永磁体基波磁场的方向\(F_f\)为d轴,q轴超前于d轴90°电角度。d轴与q轴构建的是两相旋转坐标系(2r坐标系,固定在转子上)。

官方文档中提到这样选取参考位置可以更便于实现对电机的矢量控制,因为\(\theta_r=0\)时相电感值最大。

Advanced选项卡涉及仿真求解器的相关设置,没太搞明白,故不叙述。

永磁同步电机模型内部结构

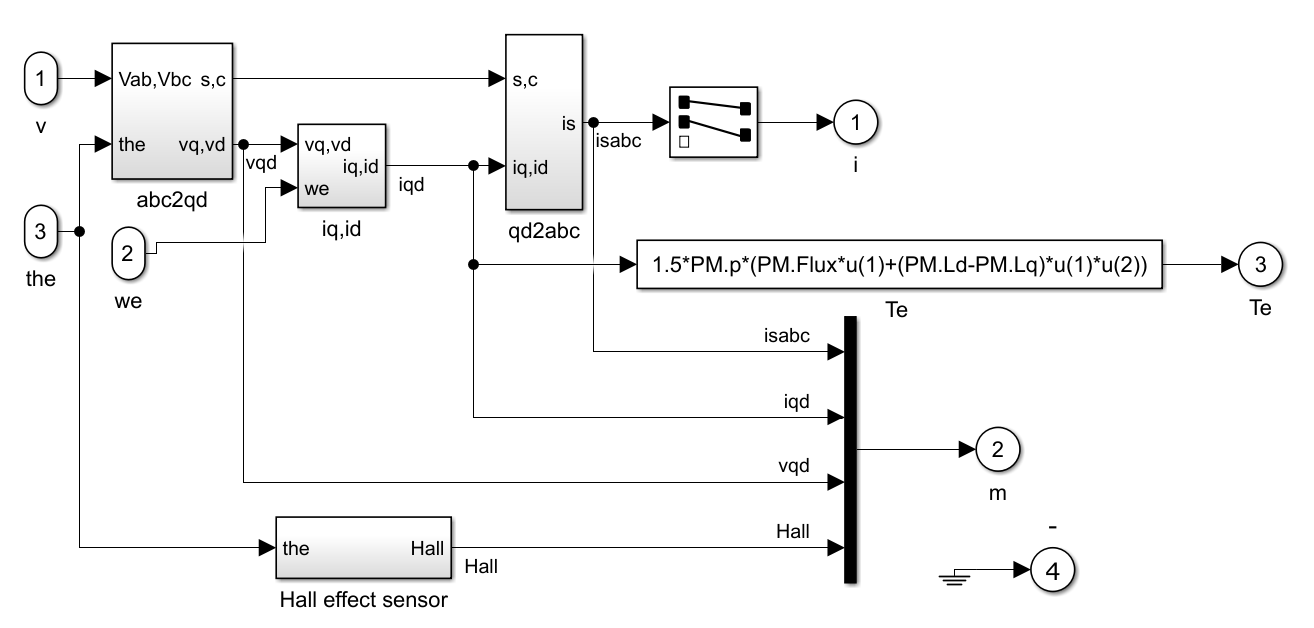
对永磁同步电机模型右键封装->查看封装内部,就可以看到开关磁阻电机模型的内部结构,如下图所示。

图2 永磁同步电机模型内部结构

最上面的模块上写着“SPS internal use,Do not delete”,该模块已被加密处理,无法破解,其输入端对应电机的三相绕组(若电机相数设置为五相,则对应五相绕组),该模块可用于获取各相绕组的电压。
此外,电机模型中定义了一个名为PM的结构体,与电机相关的参数包含其中,无法破解。
下半部分的模块主要包括电力转换模块(Electrical model)与机电能量转换模块(Mechanical model)两大部分。
其中,电力转换模块将各相绕组线电压、电角度、转速等通过一定的数学变换转换为各相定子静止电流、dq轴旋转电流、各相的Hall信号。机电能量转换模块根据电机的机械方程,由电机的电磁转矩、负载转矩计算得到电机的实时电角度与转速。

Measurements模块将电力转换模块与机电能量转换模块得到的各个数据进行整合,使用Bus Creator将其整合为一个输出量m。
数据依次为三相静止定子电流\(i_a,i_b,i_c\),两相旋转定子电流\(i_q,i_d\),两相旋转定子电压\(V_q,V_d\),三相Hall信号\(h_a,h_b,h_c\),电机转速\(\omega_m\),转子电角度\(\theta_m\)与电磁转矩\(T_e\)
该输出量可以用Bus Selector模块拆解为单独的各个变量,便于连接示波器查看图像。

电力转换模块

图3 电力转换模块

abc2qd模块

首先将线电压\(V_{ab},V_{bc}\)转换为两相旋转定子电压\(V_q,V_d\)。如下图所示:
图4 abc2qd

可以看到两个fcn模块前的Mux总线有四个输入,分别是\(V_{ab},V_{bc},sin\theta,cos\theta\),这四个输入量在fcn中分别表示为u(1),u(2),u(3),u(4)。
两个fcn模块计算出的输出量为\(V_q,V_d\)
下面介绍fcn模块内公式的推导过程:
注:该仿真模型三相绕组采用Y形联结且无零线,有关系式\(V_a+V_b+V_c=0,i_a+i_b+i_c=0\)
①首先将线电压\(V_{ab},V_{bc}\)转换为相电压\(V_a,V_b\)
列如下方程式并求解: \[\left\{ {\begin{array}{*{20}{c}}{V_{ab} = V_a - V_b} \\ {V_{bc} = V_b - V_c} \\ {V_a+V_b+V_c=0} \end{array}} \right. \Rightarrow \left\{ {\begin{array}{*{20}{c}}{V_a=\frac{2}{3}V_{ab}+\frac{1}{3}V_{bc}} \\ {V_b=-\frac{1}{3}V_{ab}+\frac{1}{3}V_{bc}} \\ {V_c=-\frac{1}{3}V_{ab}-\frac{2}{3}V_{bc}} \end{array}} \right.\]
得到线电压到相电压的变换矩阵:
\[\left[ {\begin{array}{*{20}{c}}{V_a} \\ {V_b} \end{array}} \right]=\left[ {\begin{array}{*{20}{c}} {\frac{2}{3}}&{\frac{1}{3}} \\ {-\frac{1}{3}}&{\frac{1}{3}} \end{array}} \right] \left[ {\begin{array}{*{20}{c}} {V_{ab}} \\ {V_{bc}} \end{array}} \right]\] ②然后将\(V_a,V_b\)转换为两相静止定子电压\(V_\alpha,V_\beta\),进行的是Clarke变换(3s/2s变换)
标准Clarke变换公式为:
\[\left[ {\begin{array}{*{20}{c}} V_\alpha \\ V_\beta \end{array}}\right]=\frac{N_3}{N_2}\left[ {\begin{array}{*{20}{c}} 1&-\frac{1}{2}&-\frac{1}{2} \\ 0&\frac{\sqrt{3}}{2}&-\frac{\sqrt{3}}{2} \end{array}}\right]\left[ {\begin{array}{*{20}{c}} V_a \\ V_b \\ V_c \end{array}}\right]\]
其中\(\frac{N_3}{N_2}\)为三相绕组与两相绕组的匝数比。
若要求三相电流与两相的电流幅值相等,则取\(\frac{N_3}{N_2}=\frac{2}{3}\);若要求三相与两相的总功率不变,则取\(\frac{N_3}{N_2}=\sqrt\frac{2}{3}\)
对于本模型,取\(\frac{N_3}{N_2}=\frac{2}{3}\),同时将\(V_a+V_b+V_c=0\)代入到矩阵。
\(V_a+V_b+V_c=0 \Rightarrow V_c=-V_a-V_b\)
\(V_\alpha=\frac{N_3}{N_2}(V_a-\frac{1}{2}V_b-\frac{1}{2}V_c)=\frac{N_3}{N_2}(V_a-\frac{1}{2}V_b+\frac{1}{2}V_a+\frac{1}{2}V_b)=\frac{3}{2}V_a\)
\(V_\beta=\frac{N_3}{N_2}(\frac{\sqrt 3}{2}V_b-\frac{\sqrt 3}{2}V_c)=\frac{N_3}{N_2}(\frac{\sqrt 3}{2}V_b+\frac{\sqrt 3}{2}V_a+\frac{\sqrt 3}{2}V_b)=\frac{N_3}{N_2}(\frac{\sqrt 3}{2}V_a+{\sqrt 3}V_b)\)
最后得到如下Clarke变换公式:
\[\left[ {\begin{array}{*{20}{c}} V_\alpha \\ V_\beta \end{array}}\right]=\frac{2}{3}\left[ {\begin{array}{*{20}{c}} \frac{3}{2}&0 \\ \frac{\sqrt{3}}{2}&\sqrt{3} \end{array}}\right]\left[ {\begin{array}{*{20}{c}} V_a \\ V_b \end{array}}\right]=\left[ {\begin{array}{*{20}{c}} 1&0 \\ \frac{\sqrt{3}}{3}&\frac{2\sqrt{3}}{3} \end{array}}\right]\left[ {\begin{array}{*{20}{c}} V_a \\ V_b \end{array}}\right]\]
【思考题2】根据电流幅值相等与总功率不变的两种\(\frac{N_3}{N_2}\)取法存在什么不同?对仿真会造成怎样的影响?本电机仿真模型为何采取电流幅值相等的原则?

③最后将两相静止定子电压\(V_\alpha,V_\beta\)转换为两相旋转定子电压\(V_q,V_d\),进行的是Park变换(2s/2r变换)
标准Park变换公式为:
\[\left[ {\begin{array}{*{20}{c}} V_d \\ V_q \end{array}}\right]=\left[ {\begin{array}{*{20}{c}} cos\theta&sin\theta \\ -sin\theta&cos\theta \end{array}}\right]\left[ {\begin{array}{*{20}{c}} V_\alpha \\ V_\beta \end{array}}\right]\] 然而,本仿真模型中Park变换中电角度\(\theta\)相较于标准Park变换滞后了90°,如下所示:
\[\left[ {\begin{array}{*{20}{c}} V_d \\ V_q \end{array}}\right]=\left[ {\begin{array}{*{20}{c}} sin\theta&-cos\theta \\ cos\theta&sin\theta \end{array}}\right]\left[ {\begin{array}{*{20}{c}} V_\alpha \\ V_\beta \end{array}}\right]\] 换言之,将该Park变换矩阵中的\(\theta\)加90°之后可以得到标准Park变换矩阵。
\[\left[ {\begin{array}{*{20}{c}} sin(\theta+\frac{\pi}{2})&-cos(\theta+\frac{\pi}{2}) \\ cos(\theta+\frac{\pi}{2})&sin(\theta+\frac{\pi}{2}) \end{array}}\right]=\left[ {\begin{array}{*{20}{c}} cos\theta&sin\theta \\ -sin\theta&cos\theta \end{array}}\right]\] 那么,差的这90°到哪里去补呢?补在机电能量转换模块里了,到那里再说。
【扩展阅读】关于电机坐标变换(Clarke变换与Park变换)更详尽的原理性叙述,可以参考《电力拖动自动控制系统—运动控制系统(第5版)》P161-P165与《交流调速系统(第二版)》P177-P183。

最后的最后,就是将上述矩阵相乘,得到两相旋转定子电压\(V_d,V_q\)与线电压\(V_{ab},V_{bc}\)、电角度\(\theta\)的关系式。 \[\left[ {\begin{array}{*{20}{c}} V_d \\ V_q \end{array}}\right]=\left[ {\begin{array}{*{20}{c}} sin\theta&-cos\theta \\ cos\theta&sin\theta \end{array}}\right]\left[ {\begin{array}{*{20}{c}} 1&0 \\ \frac{\sqrt{3}}{3}&\frac{2\sqrt{3}}{3} \end{array}}\right]\left[ {\begin{array}{*{20}{c}} {\frac{2}{3}}&{\frac{1}{3}} \\ {-\frac{1}{3}}&{\frac{1}{3}} \end{array}} \right]\left[ {\begin{array}{*{20}{c}} {V_{ab}} \\ {V_{bc}} \end{array}} \right]\] \(\Rightarrow V_d=\frac{1}{3}[2sin\theta V_{ab}+(sin\theta-\sqrt 3 cos\theta)V_{bc}]=\frac{1}{3}[sin\theta(2V_{ab}+V_{bc})-\sqrt 3 cos\theta V_{bc}]\)
\(\Rightarrow V_q=\frac{1}{3}[2cos\theta V_{ab}+(cos\theta+\sqrt 3 sin\theta)V_{bc}]=\frac{1}{3}[cos\theta(2V_{ab}+V_{bc})+\sqrt 3 sin\theta V_{bc}]\)
得到的结果与图4中fcn模块中填写的表达式一致,说明上述公式推导的结果正确。
注:fcn中的表达式包含两个常量,PM.sqrt3是\(\sqrt 3\),PM.one_third是\(\frac{1}{3}\)

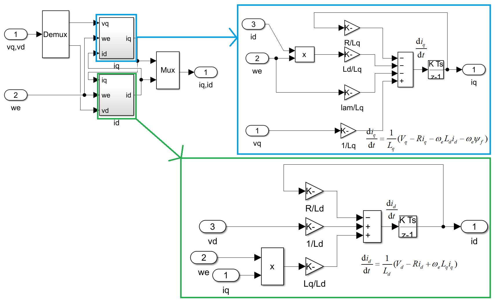
iq,id模块

图5 vdq2idq

该模块将两相旋转电压\(V_q,V_d\)转换为两相旋转电流\(i_q,i_d\),其转换基于dq坐标系下的电压方程:
\[\left\{ {\begin{array}{*{20}{c}} V_d=Ri_d+L_d\frac{ {\text{d}}i_d}{ {\text{d}}t}-\omega_e L_q i_q \\ V_q=Ri_q+L_q\frac{ {\text{d}}i_q}{ {\text{d}}t}+\omega_e(L_d i_d+\Psi_f) \end{array}}\right.\] 式中\(L_d,L_q\)为dq轴电感,\(\omega_e\)为转子电角速度。
\(\Psi_f\)为转子永磁磁场对应的磁链,在电机模型中,其值被存储在PM.Flux变量中,该值大小与前文配置界面设定的参数Flux linkage established by magnets (V.s)相同(可以说是同一个东西)。
\(\omega_e \Psi_f\)为永磁体正弦磁场在转速\(\omega_e\)下q轴绕组产生的感应电动势。

该电压方程由下面两个方程得到: \[\left\{ {\begin{array}{*{20}{c}} V_d=Ri_d+p\Psi_d-\omega_e \Psi_q \\ V_q=Ri_q+p\Psi_q+\omega_e \Psi_d \end{array}}\right.\] \[\left\{ {\begin{array}{*{20}{c}} \Psi_d=\Psi_f+L_d i_d \\ \Psi_q=L_q i_q \end{array}}\right.\] 式中p为微分算子,该算子对时间t求导,不是电机的极对数。
\(\Psi_d\)为定子磁链直轴分量,包括电枢电流直轴分量产生的电枢反应磁场\(L_d i_d\)与转子永磁磁场\(\Psi_f\)两部分。\(\Psi_q\)为定子磁链交轴分量,只包括电枢电流交轴分量产生的电枢反应磁场\(L_q i_q\)
【思考题3】将上述电压方程与磁链方程联立并取\(p\Psi_f=0\),就能得到最终仿真模型中用到的方程式,在《现代永磁电动机交流伺服系统》P66中亦取\(p\Psi_f=0\)。所以为何取\(p\Psi_f=0\)
答:因为这里\(\Psi_f\)是一个常量,不随时间t变化而变化(导数值为0)。

最后还有一个细节,就是对于\(i_d\)\(i_q\)计算公式中的离散积分模块,其初始条件(积分初始值)分别为PM.isdo与PM.isqo,前文配置界面中已经设置A相与B相电流均为0,因此这里变换后得到的\(i_d\)\(i_q\)初始值亦为0。

qd2abc模块

图6 qd2abc

将两相旋转电流\(i_q,i_d\)转换为三相静止电流\(i_a,i_b,i_c\)
首先用Park逆变换转换为两相静止电流\(i_\alpha,i_\beta\),再用Clarke逆变换转换为三相静止电流。
左侧的Mux总线有四个输入,分别为\(sin\theta,cos\theta,i_q,i_d\)
右侧三个输出,首先通过fcn模块输出\(i_a\)\(i_b\),根据三相电流之和为0这一公式,得到\(i_c=-i_a-i_b\)
\[\left[ {\begin{array}{*{20}{c}} i_a \\ i_b \end{array}}\right]=\left[ {\begin{array}{*{20}{c}} 1&0 \\ -\frac{1}{2}&\frac{\sqrt 3}{2} \end{array}}\right]\left[ {\begin{array}{*{20}{c}} sin\theta&cos\theta \\ -cos\theta&sin\theta \end{array}}\right]\left[ {\begin{array}{*{20}{c}} i_d \\ i_q \end{array}} \right]\] \(\Rightarrow i_a=i_q cos\theta+i_d sin\theta\)
\(\Rightarrow i_b=\frac{1}{2}[cos\theta(-i_q-\sqrt 3 i_d)+sin\theta(\sqrt 3 i_q-i_d)]\)
得到的结果与图6中fcn模块中填写的表达式一致,说明上述公式推导的结果正确。
运算过程中的矩阵由前文中的Park矩阵与Clarke矩阵做逆运算得到,其中Clarke矩阵先对其乘以\(\frac{N_3}{N_2}\)后求逆,得到的结果与fcn模块中填写的表达式一致。
【思考题4】为什么对Clarke矩阵先乘以\(\frac{N_3}{N_2}\)后求逆?(在一些参考资料中有其他获得逆Clarke矩阵的方法,需要进一步研究分析)

霍尔效应传感器

图7 Hall effect sensor

在实际的电机控制系统中,可以通过安装在电机上不同位置的霍尔效应传感器推算转子位置(可以直接获得转子所在区域,结合电机转速与距离上一次变换转子区域所经过的时间可以估算当前转子位置)。
本仿真模型反其道而行之,根据转子电角度推算要输出的霍尔信号。

首先将弧度制下的角度转换为-180°~180°范围下的角度。
输入为弧度制的\(\theta\),首先经过三角函数模块输出为\(sin\theta\)\(cos\theta\),然后进入反正切函数(atan2)模块,得到限制在\([-\pi,\pi]\)范围内的\(\theta\)
atan2模块的输出公式如下:
\[atan2(sin\theta,cos\theta)=\left\{ {\begin{array}{*{20}{c}} {arctan(\frac{sin\theta}{cos\theta})}&{cos\theta>0} \\ {arctan(\frac{sin\theta}{cos\theta})+\pi}&{sin\theta \ge 0,cos\theta<0} \\ {arctan(\frac{sin\theta}{cos\theta})-\pi}&{sin\theta<0,cos\theta<0} \\ {\frac{\pi}{2} }&{sin\theta>0,cos\theta=0} \\ {-\frac{\pi}{2} }&{sin\theta<0,cos\theta=0} \\ undefined &{sin\theta=0,cos\theta=0} \end{array}}\right.\] 最后将输出值乘以\(\frac{180}{\pi}\),实现从弧度到角度的转换,输出量the_deg值域为[-180°,180°]。
【举例】若输入角度为\(\frac{7}{6}\pi\)
首先计算\(sin\frac{7}{6}\pi=-\frac{1}{2},cos\frac{7}{6}\pi=-\frac{\sqrt 3}{2}\)
然后得到\(tan\frac{7}{6}\pi=\frac{sin\frac{7}{6}\pi}{cos\frac{7}{6}\pi}=\frac{\sqrt 3}{3}\)
由于\(sin\frac{7}{6}\pi<0,cos\frac{7}{6}\pi<0\),故atan模块输出值为\(arctan(\frac{\sqrt 3}{3})=\frac{\pi}{6}-\pi=-\frac{5}{6}\pi\)
最后将该值乘以\(\frac{180}{\pi}\)得到最终结果-150°
显然当\(\theta=\frac{13}{6}\pi,\frac{19}{6}\pi,\frac{25}{6}\pi,\cdots\)时,输出值亦为-150°

得到角度之后,接下来按照设定好的条件判断输出的霍尔信号值,一共有三路霍尔信号,其输出值为1的区间分别为[-60°,120°]、[-180°,120°]∪[60°,180°]、[-180°,0°],在上述区间外输出值为0。
这样就可以根据输出的三路霍尔信号值,将一个周期内的转子电角度划分为[-180°,-120°]、[-120°,-60°]、[-60°,0]、[0°,60°]、[60°,120]、[120°,180°]共六个区间。

转矩计算模块

转矩方程为:
\(T_e=1.5pi_q[i_d(L_d-L_q)+\Psi_f]\)
公式中有1.5这个系数,是因为前面按照电流幅值相等的原则进行Clarke变换,若采用恒功率变换,则公式中不用乘以1.5。

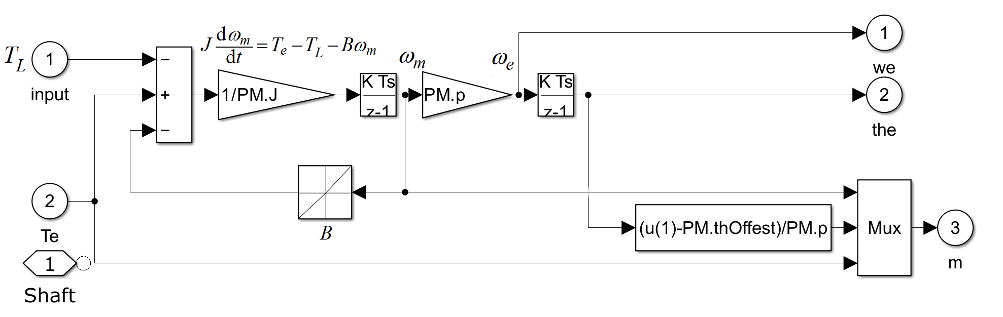
机电能量转换模块

图8 机电能量转换模块

该模块的搭建基于运动方程:
\(J\frac{ {\text{d}}\omega_m}{ {\text{d}}t}=T_e-T_L-B\omega_m\)
式中\(J\)为转动惯量,\(T_L\)为负载转矩,\(B\)为粘滞摩擦系数,\(\omega_m\)为机械角速度。
电角速度\(\omega_e=p\omega_m\)(机械角速度乘以极对数为电角速度)
图中有两个离散积分模块,第一个将\(\frac{ {\text{d}}\omega_m}{ {\text{d}}t}\)转换为\(\omega_m\),其积分初始条件为PM.wmo,可以在配置界面中设置,默认为0;第二个将\(\omega_e\)转换为\(\theta\),其积分初始条件为PM.tho+PM.thOffest,其中PM.tho=0,PM.thOffest用于补偿上文中Park变换滞后的90°,因此是一个常数\(\frac{\pi}{2}\)
粘滞摩擦系数用Coulombic and Viscous Friction模块实现,包括库伦摩擦值PM.Tf与粘性摩擦系数PM.F两部分。
输出we为电角速度,the弧度制的转子总角度,m包括机械角速度、弧度制的总机械角度、电磁转矩。